Описание
Двигатель бензиновый LIFAN 170F-T является отличным решением для тех, кто работает в сильно-запыленных условиях. Этот силовой агрегат, мощностью 7.5 л.с, станет прекрасной заменой старому двигателю на мотокультиваторе, генераторе, насосной станции или другой технике, использующей ДВС как источник движущей силы механизмов.
Решили купить бензиновый двигатель Лифан 170F-T в интернет-магазине? В Sadovod.in.ua всегда самые новые модели от ведущих производителей, разумные цены и удобные условия доставки.
Модель LIFAN 170F-T выполнена по типу двигателя GХ200 от компании Honda, чьи силовые агрегаты по праву считаются эталонными. Это четырехтактный одноцилиндровый агрегат воздушного охлаждения с объемом цилиндра в 212 куб.см. Корпус с большими охлаждающими ребрами выполнен из алюминия, отличается выносливостью и долговечностью.
- Качественная цилиндро-пошневая группа и наличие аварийной системы отключения в случае недостаточного уровня масла обеспечивают долговременное безаварийное функционирование двигателя.
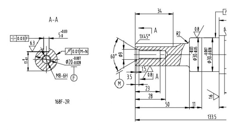
- Горизонтальный выход вала (длина 50 мм, d=20 мм) с креплением под шпонку (шпоночный паз – 5 мм) являются наиболее универсальными для большинства агрегатов. Вращение вала осуществляется против часовой стрелки, если смотреть со стороны вала.
- Система запуска представлена ручным стартером. Двигатели на бензине не так чувствительны к низким (нулевым) температурам, как дизельные, поэтому пуск не вызовет никаких сложностей.
- Представленный бензиновый двигатель Лифан отличается экономичным потреблением топлива, невысоким уровнем вибраций. Топливный бак на 3.6 л предусматривает наличие топливного фильтра.
- Чугунная сьемная гильза цилиндра обеспечивает долговечность работы и простой ремонт двигателя.
К основных эксплуатационным характеристикам двигателя относятся:
Более высокие исходные параметры мощности и крутящий момент
Стабильная работа на топливе низкого качества
Низкий уровень шума
Чугунная гильза цилиндра
Малый размер
Экономичный расход топлива
Простота в использовании и обслуживании
Рекомендации по эксплуатации двигателя
ОБЯЗАТЕЛЬНЫМ требованием к использованию мотора является предварительная обкатка, производимая согласно инструкции к двигателю.
Рекомендуемые горюче-смазочные материалы: бензин марки А-92 и выше, масло для 4-хтактных моторов SAE 10W-30, SAE 10W-40. В случае возникновения вопросов – пожалуйста, обращайтесь к менеджеру магазина. Вам окажут квалифицированную консультацию и ответят на все интересующие вопросы.
© Лещенко С.А. /29.01.2020/
Видео
Характеристики
Мощность двигателя - это основная характеристика, которая определяет способность мотора к выполнению определенных задач. Она измеряется в лошадиных силах (л.с.) или киловаттах (кВт) и обозначает силу, которую двигатель может производить для приведения в движение вращающихся элементов.
Чем выше мощность двигателя, тем легче ему будет справляться с тяжелыми задачами. Однако, необходимо учитывать, что более мощный двигатель потребляет больше топлива или электричества, что может увеличить затраты на эксплуатацию.
Важно также учитывать, что мощность двигателя должна соответствовать размерам и весу оборудования, чтобы обеспечить его стабильность и безопасность в работе.
Тактность - количество циклов работы двигателя за минуту, оно измеряется в оборотах в минуту (об/мин).
Четырехтактный двигатель имеет четыре такта: впуск, сжатие, работа и выпуск. В каждом цикле поршень движется вверх и вниз два раза, таким образом, мотор совершает два оборота коленчатого вала за один цикл. Таким образом, если двигатель работает на 6000 об/мин, значит, он выполняет 3000 циклов работы в минуту.
Двухтактный двигатель имеет два такта: сжатие/загрузка и работа/выгрузка. Он работает быстрее, чем четырехтактный, так как сжатие и работа происходят в одном обороте коленчатого вала. Таким образом, если мотор работает на 6000 об/мин, значит, он выполняет 6000 циклов в минуту. Однако, двухтактный может потреблять больше топлива и выделять больше вредных выбросов, чем четырехтактный.
Двухтактный двигатель может быть легче и компактнее, что делает его подходящим для мобильных устройств. В то же время, четырехтактный может обеспечить более высокую мощность и эффективность, но он тяжелее и дороже в производстве.
Расход топлива является важным параметром. В целом, четырехтактный более экономичен и потребляет меньше топлива, чем двухтактный.
Особенностью двухтактных двигателей является то что они могут работать при любом угле наклона, четырехтактный мотор при наклоне может испытывать масляное голодание.
Объем двигателя - указывает на объем цилиндров двигателя в технике, он измеряется в кубических сантиметрах. Он определяет мощность и производительность техники, так как больший объем мотора обычно обеспечивает большую мощность.
Больший объем двигателя также может привести к большему расходу топлива и высокому уровню шума и вибраций. Поэтому при выборе садовой техники необходимо учитывать все эти факторы, чтобы найти оптимальный баланс между мощностью и комфортом использования.
Частота вращения двигателя относится к скорости вращения выходного вала, обычно измеряемой в оборотах в минуту (об/мин).
Она определяет производительность техники, включая скорость вращения и выходную мощность. Например, более высокие обороты двигателя могут обеспечить более быструю работу, но также могут создавать больше шума и вибрации.
Частоту вращения мотора можно регулировать с помощью регулятора дроссельной заслонки, который обычно расположен на ручке оборудования.
Большая часть двигателей на мотоблок имеет максимальную частоту вращения 3600 об/мин, двигатели с понижающим редуктором 1800 об/мин.
Спортивные версии двигателей для картов и мотособак имеют обороты 6000 об/мин.
Объем топливного бака двигателя для оборудования является важнейшей характеристикой, определяющей количество топлива, которое он может хранить для приведения в действие конкретной единицы техники или транспортного средства.
Емкость: Объем топливного бака должен быть достаточно большим, чтобы обеспечить достаточное количество топлива для желаемого времени работы без частой дозаправки. Емкость бака обычно измеряется в литрах.
Материал: Должен быть изготовлен из высококачественных, прочных материалов, таких как сталь, алюминий или полиэтилен высокой плотности (HDPE), чтобы выдерживать износ и противостоять коррозии.
Форма и дизайн: Должен иметь компактную и эффективную конструкцию, позволяющую легко устанавливать и интегрировать в оборудование без ущерба для его функциональности. Форма также должна способствовать перемещению топлива и сводить к минимуму риск нехватки топлива во время работы.
Доступность: Должен быть легкодоступен для заправки, осмотра и технического обслуживания. Он также должен быть оснащен индикатором уровня топлива или манометром для контроля расхода топлива и планирования интервалов дозаправки.
Функции безопасности: Топливный бак должен иметь надежную крышку топливного бака для предотвращения несанкционированного доступа и загрязнения.
Совместимость: Топливный бак должен быть совместим с конкретным типом топлива, используемого в оборудовании, будь то бензин, дизельное топливо или альтернативные виды топлива, такие как биодизельное топливо, этанол или природный газ.
Соответствие требованиям охраны окружающей среды: Топливный бак должен соответствовать соответствующим экологическим стандартам и предписаниям, сводящим к минимуму испарение топлива и выброс вредных загрязняющих веществ.
Расход моторного топлива для машин, обычно измеряемый в граммах на киловатт-час (г/кВт·ч), является важнейшим параметром при оценке эффективности и эксплуатационных характеристик различных типов двигателей и машин. Этот показатель относится к количеству топлива (в граммах), необходимому для выработки определенного количества энергии (в киловаттах) в течение часа. Более низкие значения расхода топлива указывают на более высокую эффективность, поскольку машина может вырабатывать больше энергии, расходуя меньше топлива.
Несколько характеристик могут влиять на расход топлива двигателем для машин:
Тип двигателя: Различные двигатели, такие как дизельные, бензиновые или работающие на природном газе, могут иметь разный уровень расхода топлива в зависимости от их конструкции и технологии.
Размер двигателя и выходная мощность: Двигатели большего размера обычно потребляют больше топлива, в то время как двигатели меньшего размера могут иметь меньший расход топлива. Однако выходная мощность также играет решающую роль, поскольку более мощный двигатель может потреблять меньше топлива на единицу выполняемой работы.
Эффективность: Общая эффективность двигателя, включая механическую, тепловую эффективность и эффективность сгорания, может существенно повлиять на расход топлива. Улучшения в этих областях могут привести к снижению расхода топлива.
Условия эксплуатации: Такие факторы, как нагрузка, частота вращения и температура, могут влиять на расход топлива двигателем. Например, двигатели, работающие при высоких нагрузках или скоростях, могут потреблять больше топлива, в то время как двигателям, работающим в более холодных условиях, может потребоваться больше энергии для поддержания оптимальной производительности.
Техническое обслуживание и износ: Правильно обслуживаемые двигатели с минимальным износом, вероятно, будут иметь меньший расход топлива по сравнению с плохо обслуживаемыми или старыми двигателями со значительным износом.
Тип и качество топлива: Тип и качество используемого топлива могут повлиять на расход топлива. Топливо более высокого качества может сжигаться более эффективно, что приводит к снижению расхода топлива, в то время как топливо более низкого качества может привести к увеличению расхода.
Выбросы и нормативы: Двигатели, разработанные в соответствии с более строгими нормами по выбросам, могут оснащаться передовыми технологиями, которые могут помочь снизить расход топлива, в то время как более старые или не соответствующие требованиям двигатели могут потреблять больше топлива.
Понимая эти характеристики и то, как они влияют на расход топлива двигателем техники, операторы и производители могут оптимизировать работу двигателя, снизить расход топлива и свести к минимуму воздействие на окружающую среду.
Типы воздушных фильтров:
Бумага тонкой/грубой очистки:
В воздушном фильтре этого типа двигателя используется комбинация поролона и бумаги. Бумажный элемент способен улавливать более мелкие частицы, в то время как поролон предназначен для более крупного мусора. Эти фильтры доступны по цене, просты в замене и обеспечивают умеренную эффективность фильтрации.
В масляной ванне:
Воздушный фильтр с масляной ванной использует масло для улавливания пыли и мусора при прохождении воздуха через фильтр. Этот тип фильтров обладает высокой эффективностью улавливания загрязняющих веществ и хорошо подходит для сред с высоким уровнем пыли или грязи. Фильтр масляной ванны требует регулярного технического обслуживания, так как масло необходимо периодически заменять для поддержания его эффективности.
Циклонный, в масляной ванне:
Циклонные воздушные фильтры в масляной ванне используют центробежные силы для отделения частиц из воздуха. Поскольку воздух быстро вращается внутри фильтра, более тяжелые частицы отталкиваются к наружным стенкам и задерживаются в масляной ванне. Этот тип фильтров очень эффективен при улавливании загрязняющих веществ, особенно в средах с высоким уровнем пыли или грязи. Циклонная конструкция в сочетании с масляной ванной обеспечивает превосходную производительность фильтрации и увеличенный срок службы фильтра.
Датчик уровня моторного масла является важнейшим компонентом техники, предназначенным для непрерывного контроля и точного измерения уровня масла в двигателе. Это сложное устройство помогает предотвратить повреждение двигателя, обеспечивает оптимальную производительность и способствует общему сроку службы оборудования. Благодаря компактной и прочной конструкции датчик надежно работает в суровых условиях и выдерживает колебания температуры, вибрацию и давление.
Используя передовые технологии, он предоставляет операторам данные в режиме реального времени, вызывая оповещения в случае низкого уровня масла или потенциальных утечек, тем самым облегчая упреждающее техническое обслуживание и сводя к минимуму время простоя. Простой в установке и совместимый с широким спектром оборудования, датчик уровня моторного масла является незаменимым инструментом для поддержания работоспособности и эффективности вашего оборудования.
Диаметр цилиндра и ход поршня являются двумя фундаментальными характеристиками, которые непосредственно влияют на производительность, выходную мощность и экономичность двигателя.
Диаметр цилиндра - относится к внутреннему диаметру камеры сгорания двигателя. Именно здесь поршень перемещается вверх и вниз, создавая мощность, необходимую для приведения в действие оборудования. Он напрямую влияет на объем мотора и общую выходную мощность. Как правило, больший диаметр цилиндра позволяет сжигать больше воздушно-топливной смеси, что приводит к увеличению мощности. Однако это также может привести к более высокому расходу топлива и увеличению выбросов.
Ход поршня - это линейное расстояние, которое поршень проходит внутри цилиндра за один полный цикл движения. Это решающий фактор при определении объема двигателя и степени сжатия. Ход поршня в сочетании с диаметром цилиндра помогает определить общую мощность двигателя. Моторы с более длинным ходом, как правило, имеют больший крутящий момент при более низких оборотах, в то время как двигатели с более коротким ходом, как правило, имеют более высокую выходную мощность при более высоких оборотах.
Вместе диаметр цилиндра и ход поршня определяют рабочий объем двигателя, который обычно выражается в кубических сантиметрах (куб.см) или литрах (L). Рабочий объем является показателем габаритных размеров двигателя и является важным фактором при определении его выходной мощности, крутящего момента и КПД.
Количество цилиндров в 4-тактном двигателе может быть различным, но обычно оно составляет 2, 4, 6 или более цилиндров. Количество цилиндров в двигателе связано с его конструкцией и предназначением.
Количество цилиндров в двигателе оказывает влияние на его характеристики, такие как мощность, крутящий момент, плавность хода и топливная экономичность. Обычно, чем больше цилиндров, тем выше мощность и плавность хода.
Коэффициент компрессии - отношение объема цилиндра двигателя в момент наибольшего сжатия к объему цилиндра в момент наименьшего сжатия (в верхней и нижней точках хода поршня соответственно).
Т.е. коэффициент компрессии определяется отношением объема смеси топлива и воздуха в цилиндре до сжатия к объему смеси после сжатия.
Коэффициент компрессии является важным параметром, который влияет на работу двигателя и его эффективность. Больший коэффициент компрессии обычно обеспечивает более эффективное сгорание топливной смеси, что увеличивает мощность и топливную экономичность двигателя. Однако слишком высокий коэффициент компрессии может привести к проблемам с детонацией (стуки) двигателя, особенно если топливо имеет низкий октановый рейтинг.
Максимальный крутящий момент - максимальное значение крутящего момента, которое двигатель может произвести на коленчатом валу при определенных оборотах в минуту или при определенной нагрузке.
Крутящий момент - сила, которая обеспечивает вращение коленчатого вала двигателя и, следовательно, передачу механической энергии от двигателя к приводу. Этот параметр измеряется в ньютон-метрах (Н·м).
Максимальный крутящий момент является важным параметром, определяющим его производительность. Он обычно достигается при определенных оборотах в минуту (например, 3000 об/мин) и зависит от различных факторов, таких как размер двигателя, его конструкция, система впрыска топлива и др.
Объем масла в картере - объем масла, который находится в нижней части двигателя, называемой картером. Картер - это внутренняя полость двигателя, где располагаются коленчатый вал, шатуны и другие движущиеся элементы.
Масло в картере выполняет несколько важных функций:
- Смазывание: смазывает движущиеся детали двигателя, уменьшая трение и износ.
- Охлаждение: способствует отводу избыточной теплоты от рабочих поверхностей двигателя.
- Уплотнение: образует уплотнение между поршнем и цилиндром, что предотвращает проникновение горячих газов в картер.
- Очистка: удаляет продукты сгорания и другие загрязнения из двигателя.
Для правильной эксплуатации и долговечности двигателя важно следить за уровнем масла в картере и регулярно производить замену масла согласно рекомендациям производителя. Это поможет обеспечить надлежащую работу двигателя и предотвратить возможные поломки или повреждения.
Система запуска - механизм, который обеспечивает первоначальное вращение коленчатого вала, чтобы запустить работу двигателя. Запуск двигателя особенно важен, когда двигатель остановлен и не производит самостоятельное вращение.
Система запуска может различаться в зависимости от типа двигателя (бензиновый, дизельный и т.д.) и его конструкции. Наиболее распространенными системами запуска в 4-тактных двигателях являются:
- Ручной запуск: осуществляется с помощью ручки, которую пользователь резко тянет, вызывая вращение коленчатого вала и запуск двигателя.
- Электрический запуск: осуществляется с помощью стартера, который работает от аккумулятора или аккумуляторной батареи. Когда оператор включает ключ зажигания в положение "старт", стартер приводит в движение механизм, который вращает коленчатый вал, запуская двигатель.
- Комбинированный запуск: комбинация ручного и электрического запуска, что предоставляет дополнительные варианты для запуска в различных ситуациях.
Система охлаждения отвечает за управление температурой двигателя и предотвращение его перегрева. Система охлаждения эффективно удаляет избыточное тепло, возникающее при сгорании топливо-воздушной смеси в цилиндре, и поддерживает двигатель в оптимальном температурном диапазоне для надлежащей работы.
Два основных типа систем охлаждения:
- Водяная система охлаждения: в данной системе тепло от цилиндров и других горячих компонентов двигателя передается воде, циркулирующей по системе. Вода нагревается и проходит через радиатор, где охлаждается воздухом, затем циркулирует обратно в двигатель. Водяная система охлаждения обеспечивает более стабильную температуру работы двигателя, что важно для его эффективности и долговечности.
Воздушная система охлаждения: использует поток воздуха, чтобы отводить тепло от двигателя. Воздушные ребра или радиаторы могут быть размещены на поверхности двигателя, чтобы увеличить область контакта с воздухом и повысить эффективность охлаждения.
Системы охлаждения играют важную роль в работе двигателей, предотвращая их перегрев и защищая от повреждений. Правильное функционирование системы охлаждения обеспечивает оптимальную температуру работы двигателя и способствует его длительной и надежной эксплуатации.
В двигателях используются различные типы валов, некоторыми из наиболее распространенных типов валов выявляются:
- Вал под резьбу - вал, который имеет на своей поверхности нарезанные резьбовые канавки или резьбовые шлицы. Резьба представляет собой спиральные выступы и впадины, которые позволяют винтам, гайкам или другим элементам соответствующей формы перемещаться вдоль вала или осуществлять его вращение.
- Вал с шпонкой - тип вала, который используется для передачи механической энергии или установки различных компонентов на валу. Шпонка - крепежный элемент, который обеспечивает жесткое соединение между валом и другим элементом (например, шестерней, колесом, ротором, и т.д.).
- Шлицевой вал - тип вала с пазами или выступами, которые имеют форму продольных выемок. Эти пазы и выступы называются шлицами, и они расположены вдоль оси вала. Шлицы могут быть прямыми, косыми, спиральными или иметь другую геометрию. Валы с шлицами используются для передачи механической энергии и обеспечения точного позиционирования элементов на валу.
- Вал маховика со шкивом - специфический тип вала, который используется в ДВС. Он сочетает две важные функции в двигателе:
- Маховик - тяжелое колесо, прикрепленное к одному из концов коленчатого вала. Его задача - служить как инерционная масса, которая сохраняет кинетическую энергию вращения коленчатого вала между тактами двигателя. Это помогает сглаживать неравномерность вращения двигателя и обеспечивает более равномерную работу.
- Шкив - колесо с рифленой или гладкой поверхностью, которое устанавливается на втором конце вала маховика. Когда двигатель работает, маховик вращается вместе с коленчатым валом и сохраняет кинетическую энергию. Приводной шкив передает эту энергию на другие компоненты, что позволяет им работать в соответствии с требованиями момента и скорости. Вал маховика со шкивом - важный компонент двигателя, который играет роль в обеспечении плавности работы двигателя и передачи мощности на вспомогательные устройства.
- Конус - тип вала, который имеет коническую форму. В отличие от прямого вала, диаметр вала конуса меняется по длине его оси, образуя коническую поверхность.
Диаметр вала - расстояние между двумя точками на валу, проходящими через его центр и лежащими на противоположных сторонах вала. Обычно для валов используется параметр диаметра, так как он определяет его размер и дает представление о его прочности и способности переносить нагрузку.
Длина вала - общая длина вала, измеренная от одного его конца до другого. В двигателях, валы имеют различные длины в зависимости от их конкретного применения и конструкции. Длина вала в двигателе может различаться в зависимости от типа вала и его расположения в двигателе.
В двигателях можно выделить два основных типа расположения вала: вертикальное и горизонтальное. Эти термины относятся к ориентации оси вала относительно горизонтальной плоскости земли.
- Вертикальное расположение вала: ось вала направлена вертикально вверх или вниз, параллельно гравитации. В двигателях с вертикальным расположением вала, ось вращения вала находится в вертикальной плоскости.
- Горизонтальное расположение вала: ось вала направлена горизонтально, параллельно земле. В двигателях с горизонтальным расположением вала, ось вращения вала находится в горизонтальной плоскости.
Выбор между вертикальным и горизонтальным расположением вала зависит от конкретного применения и конструкции двигателя.
Диаметр внутренней резьбы вала - диаметр отверстия с внутренней резьбой, находящегося на поверхности вала. Внутренняя резьба представляет собой спиральные впадины и выступы внутри отверстия, которые позволяют вкручивать или выкручивать внутрь этого отверстия винты, болты или другие элементы с наружной резьбой.
Когда говорят о диаметре внутренней резьбы вала, это обозначает размер отверстия внутри вала, куда можно вкручивать винт или болт с определенным диаметром наружной резьбы.
Внутренние резьбы на валах используются для создания соединений с внешними элементами, такими как винты, болты или штыри, а также для крепления других компонентов к валу. Диаметр внутренней резьбы вала важен для выбора соответствующих винтов или болтов и обеспечения правильного и надежного соединения.
Длина и ширина выемки под шпонку указывают на геометрические параметры вырезанной пазовой формы в валу или втулке, предназначенной для размещения шпонки. Шпонка - маленький металлический элемент, который вставляется в вырезанный паз для обеспечения жесткого соединения между валом и другим элементом (например, шестерней, колесом, ротором и т.д.).
- Длина выемки под шпонку: расстояние от одного конца вырезанной выемки до другого, измеренное вдоль оси вала. Длина выемки определяет длину шпонки, которая будет размещена внутри нее.
- Ширина выемки под шпонку: размер, измеренный в направлении, перпендикулярном оси вала. Ширина выемки определяет ширину шпонки, которая будет помещена в эту выемку.
Геометрия выемки под шпонку должна точно соответствовать размерам шпонки, чтобы обеспечить надежное соединение и предотвратить его вращение вокруг оси вала.
Направление вращения вала определяется с точки зрения наблюдателя, который смотрит на вал или его конец с обозначенными шлицами, резьбой или другими характеристиками вала.
Когда говорят о направлении вращения вала "со стороны вала", это означает, что рассматривается вращение вала от его оси, по направлению к его концу или другим его частям.
Система смазки предназначена для обеспечения смазки движущихся деталей, таких как подшипники, поршни, коленчатые валы и другие механизмы, которые требуют постоянного смазывания для снижения трения, износа и повышения эффективности работы механизма.
Главной задачей системы смазки является предоставление масла или смазочной жидкости в нужные точки, где возникают контактные поверхности металлических деталей. Это уменьшает трение между деталями и позволяет им свободно двигаться друг относительно друга. Это также охлаждает и очищает детали от накопившейся теплоты и мусора, что предотвращает повреждение и повышает срок службы генератора или двигателя.
Система смазки может быть различного типа: масляная, сухая, жидкостная и т. д. В большинстве случаев двигатели и генераторы используют масляную смазку, так как она обладает хорошими свойствами смазки и охлаждения, что делает ее идеальным выбором для таких устройств.
Расположение клапанов в двигателе или генераторе зависит от типа двигателя, его конструкции и принципа работы. В большинстве случаев, генераторы используют двигатели внутреннего сгорания, такие как двигатели с поршневой группой (дизельные, бензиновые) или газовые двигатели.
Общие типы расположения клапанов в двигателях:
- Двигатели с верхним расположением клапанов (OHV - Overhead Valve): клапаны расположены в головке блока цилиндров сверху. Клапаны могут быть установлены как над поршнями, так и над головками поршней.
- Двигатели с верхним расположением клапанов с двумя верхними распределительными валами (DOHC - Double Overhead Camshaft): в этом типе двигателей установлены два распределительных вала в головке блока цилиндров, каждый приводит свои клапаны.
- Двигатели с нижним расположением клапанов (L-head или flathead): клапаны расположены ниже цилиндров, и распределительные валы часто установлены в блоке цилиндров.
- Двигатели с боковым расположением клапанов (SV - Side Valve): клапаны расположенные на боковой стороне блока цилиндров, как и в L-head, но здесь у двигателя может быть только один распределительный вал.
Конкретное расположение клапанов может варьироваться в зависимости от производителя, модели и конструкции двигателя или генератора. От выбранного расположения клапанов зависит также эффективность, мощность и характеристики работы двигателя или генератора.
Расположение цилиндров в двигателе или генераторе зависит от типа двигателя и его конструкции. Определенные типы двигателей имеют специфичное расположение цилиндров, а некоторые могут иметь различные варианты в зависимости от конкретной модели.
Наиболее распространенные типы расположения цилиндров:
- Рядное (Inline): цилиндры расположены в одной линии, прямо друг за другом. Например, двигатели с 4, 6 или 8 цилиндрами могут быть рядными, где цилиндры расположены в одном ряду.
- V-образное (V-engine): цилиндры разделены на два блока, образуя угол под определенным значением (например, 60, 90, 120 градусов). Это позволяет уменьшить длину двигателя и сделать его компактнее.
- Разнесенное V-образное (W-engine): это расширенная версия двигателя V-образной конфигурации, где цилиндры разделены на три блока, образуя форму буквы "W".
- Расположение цилиндров "H" (Boxer engine): этот тип двигателя имеет цилиндры, расположенные параллельно друг другу в двух блоках, смещенных на небольшой угол, что создает форму буквы "H".
- Расположение цилиндров "X": редкий тип двигателя, где цилиндры расположены в четырех блоках, образуя форму буквы "X".
Конкретное расположение цилиндров может влиять на характеристики двигателя, такие как мощность, крутящий момент и компактность.
В генераторах может использоваться различные типы цилиндров в зависимости от их конструкции и применения. Одним из наиболее распространенных типов цилиндров является поршневой цилиндр.
- Поршневой цилиндр: цилиндра используется во многих ДВС, включая дизельные и бензиновые двигатели. Внутри поршневого цилиндра движется поршень, который преобразует энергию горения топлива в механическую энергию, двигаясь вверх и вниз.
- Роторный цилиндр: цилиндра используется в роторных двигателях. Роторный цилиндр содержит ротор, который вращается вокруг оси, создавая циклические объемные изменения и выполняя функцию аналогичную поршневому двигателю.
- Газовый цилиндр: используется в газовых двигателях, работающих на природном газе или других газообразных топливах. Этот тип двигателя использует газ в качестве рабочей среды вместо жидкости.
- Гидравлический цилиндр: используются в системах гидравлического привода для создания движения или усилия. Они состоят из цилиндрической трубы с поршнем внутри, который перемещается в ответ на давление гидравлической жидкости.
- Пневматический цилиндр: работают на сжатом воздухе, который действует на поршень внутри цилиндра и создает механическое движение.
Отзывы
Отзывы не найдены