Опис
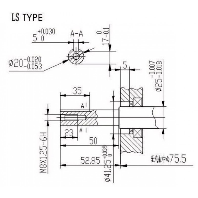
Модель двигуна LIFAN 170F оснащена валом діаметром 20 мм та призначена для роботи на газу та бензині. Цей двигун доповнений модулем газ/бензин, що робить його більш економічним в експлуатації. Він належить до категорії легких споживчих двигунів і вважається одним з найпопулярніших легких двигунів LIFAN світового рівня з базовою потужністю 7 к.с.
Він ідеально підходить для домашніх потреб, особливо при необхідності мати запас потужності, наприклад, для використання в бетонозмішувачах або віброукладачах. Цей двигун також можна використовувати в садовій та сільськогосподарській техніці: газонокосарках, мотокультиваторах, генераторах та навіть мотоциклах. Як доповнення до цього двигуна можна придбати знижувальний редуктор з відцентровим зчепленням, який не входить до базової комплектації та продається окремо.
Lifan LF170F є удосконаленим варіантом попередньої моделі 168F, який славиться своєю надійністю і простотою. Це 4-тактний одноциліндровий бензиновий двигун з повітряним охолодженням та горизонтальним валом. Він обладнаний такими елементами, як паливний кран для перекриття подачі палива під час перевезення та чавунною гільзою для збільшення ресурсу роботи.
Особливості та переваги:
- Відмінна потужність і крутний момент;
- Робота на паливі різної якості;
- Низький рівень шуму;
- Компактні розміри;
- Економне споживання палива;
- Легкість обслуговування та використання.
Купити двигун LIFAN 170F - Ви можете зателефонувавши за вказаним номером телефону або через форму зворотного зв'язку на сайті. Наш менеджер проконсультує Вас та допоможе з підбором моделі двигуна, яка підійде для вирішення ваших завдань.
© Лещенко С.А. /22.08.2023/
Відео
Характеристики
Потужність двигуна - це основна характеристика, яка визначає здатність мотора до виконання певних завдань. Вона вимірюється в кінських силах (к.с.) або кіловатах (кВт) і позначає силу, яку двигун може виробляти для приведення в рух обертових елементів.
Чим вище потужність двигуна, тим легше йому буде справлятися з важкими завданнями. Однак, необхідно враховувати, що більш потужний двигун споживає більше палива або електрики, що може збільшити витрати на експлуатацію.
Важливо також враховувати, що потужність двигуна повинна відповідати розмірам і вазі обладнання, щоб забезпечити його стабільність і безпеку в роботі.
Тактність-кількість циклів роботи двигуна за хвилину, воно вимірюється в оборотах на хвилину (об/хв).
Чотиритактний двигун має чотири такти: впуск, стиснення, робота і випуск. У кожному циклі поршень рухається вгору і вниз два рази, таким чином, мотор здійснює два оберти колінчастого вала за один цикл. Таким чином, якщо двигун працює на 6000 об/хв, значить, він виконує 3000 циклів роботи в хвилину.
Двотактний двигун має два такти: стиснення/завантаження і робота / вивантаження. Він працює швидше, ніж чотиритактний, так як стиснення і робота відбуваються в одному обороті колінчастого вала. Отже, якщо двигун працює на 6000 об/хв, він виконує 6000 циклів на хвилину. Однак, двотактний може споживати більше палива і виділяти більше шкідливих викидів, ніж чотиритактний.
Двотактний двигун може бути легшим і компактнішим, що робить його придатним для мобільних пристроїв. У той же час, чотиритактний може забезпечити більш високу потужність і ефективність, але він важче і дорожче у виробництві.
Витрата палива є важливим параметром. Загалом, чотиритактний є більш економічним і споживає менше палива, ніж двотактний.
Особливістю двотактних двигунів є те що вони можуть працювати при будь-якому куті нахилу, чотиритактний мотор при нахилі може відчувати масляне голодування.
Об'єм двигуна - вказує на об'єм циліндрів двигуна в техніці, він вимірюється в кубічних сантиметрах. Визначає потужність і продуктивність техніки, так як більший обсяг мотора зазвичай забезпечує більшу потужність.
Більший об'єм двигуна також може призвести до більшого споживання палива та високого рівня шуму та вібрацій. Тому при виборі садової техніки необхідно враховувати всі ці фактори, щоб знайти оптимальний баланс між потужністю і комфортом використання.
Частота обертання двигуна відноситься до швидкості обертання вихідного вала, зазвичай вимірюється в оборотах на хвилину (об/хв).
Вона визначає продуктивність техніки, включаючи швидкість обертання і вихідну потужність. Наприклад, більш високі оберти двигуна можуть забезпечити більш швидку роботу, але також можуть створювати більше шуму і вібрації.
Частоту обертання двигуна можна регулювати за допомогою регулятора дросельної заслінки, який зазвичай розташований на ручці обладнання.
Велика частина двигунів на мотоблок має максимальну частоту обертання 3600 об/хв, двигуни зі знижувальним редуктором 1800 об/хв.
Спортивні версії двигунів для картів і мотособак мають обороти 6000 об/хв.
Обсяг паливного бака двигуна для обладнання є найважливішою характеристикою, що визначає кількість палива, яке він може зберігати для приведення в дію конкретної одиниці техніки або транспортного засобу.
Ємність: Обсяг паливного бака повинен бути достатньо великим, щоб забезпечити достатню кількість палива для бажаного часу роботи без частої дозаправки. Ємність бака зазвичай вимірюється в літрах.
Матеріал: Повинен бути виготовлений з високоякісних, міцних матеріалів, таких як сталь, алюміній або поліетилен високої щільності (HDPE), щоб витримувати знос і протистояти корозії.
Форма і дизайн: Повинен мати компактну і ефективну конструкцію, що дозволяє легко встановлювати і інтегрувати в обладнання без шкоди для його функціональності. Форма також повинна сприяти переміщенню палива та мінімізувати ризик нестачі палива під час роботи.
Доступність: Повинен бути легкодоступний для заправки, огляду та технічного обслуговування. Він також повинен бути оснащений індикатором рівня палива або манометром для контролю витрати палива і планування інтервалів дозаправки.
Функції безпеки: Паливний бак повинен мати надійну кришку паливного бака для запобігання несанкціонованого доступу та забруднення.
Сумісність: Паливний бак повинен бути сумісним з конкретним типом палива, що використовується в обладнанні, будь то бензин, дизельне паливо або альтернативні види палива, такі як біодизель, етанол або природний газ.
Відповідність вимогам охорони навколишнього середовища: Паливний бак повинен відповідати відповідним екологічним стандартам і приписам, що зводить до мінімуму випаровування палива і викид шкідливих забруднюючих речовин.
Витрата моторного палива для машин, зазвичай вимірюється в грамах на кіловат-годину (г/кВт·год), є найважливішим параметром при оцінці ефективності та експлуатаційних характеристик різних типів двигунів і машин. Цей показник відноситься до кількості палива (в грамах), необхідного для вироблення певної кількості енергії (в кіловатах) протягом години. Більш низькі значення витрати палива вказують на більш високу ефективність, оскільки машина може виробляти більше енергії, витрачаючи менше палива.
Кілька характеристик можуть впливати на витрату палива двигуном для машин:
Тип двигуна: Різні двигуни, такі як дизельні, бензинові або працюють на природному газі, можуть мати різний рівень витрати палива в залежності від їх конструкції і технології.
Розмір двигуна та вихідна потужність: більші Двигуни зазвичай споживають більше палива, тоді як менші двигуни можуть мати менший витрата палива. Однак вихідна потужність також відіграє вирішальну роль, оскільки більш потужний двигун може споживати менше палива на одиницю виконуваної роботи.
Ефективність: загальна ефективність двигуна, включаючи механічну, теплову ефективність та ефективність згоряння, може суттєво вплинути на споживання палива. Поліпшення в цих областях можуть призвести до зниження витрати палива.
Умови експлуатації: такі фактори, як навантаження, частота обертання і температура, можуть впливати на витрату палива двигуном. Наприклад, двигуни, що працюють при високих навантаженнях або швидкостях, можуть споживати більше палива, тоді як двигунам, що працюють в більш холодних умовах, може знадобитися більше енергії для підтримки оптимальної продуктивності.
Технічне обслуговування та знос: правильно підтримувані двигуни з мінімальним зносом, ймовірно, матимуть менший витрата палива в порівнянні з погано обслуговуваними або старими двигунами зі значним зносом.
Тип і якість палива: Тип і якість використовуваного палива можуть вплинути на витрату палива. Паливо вищої якості може спалюватися ефективніше, що призводить до зменшення споживання палива, тоді як паливо нижчої якості може призвести до збільшення витрати.
Викиди та норми: двигуни, розроблені відповідно до більш жорстких норм викидів, можуть оснащуватися передовими технологіями, які можуть допомогти зменшити споживання палива, тоді як старі або невідповідні двигуни можуть споживати більше палива.
Розуміючи ці характеристики і те, як вони впливають на витрату палива двигуном техніки, оператори і виробники можуть оптимізувати роботу двигуна, знизити витрату палива і звести до мінімуму вплив на навколишнє середовище.
Діаметр циліндра і хід поршня є двома фундаментальними характеристиками, які безпосередньо впливають на продуктивність, вихідну потужність і економічність двигуна.
Діаметр циліндра - відноситься до внутрішнього діаметру камери згоряння двигуна. Саме тут поршень рухається вгору і вниз, створюючи потужність, необхідну для приведення в дію обладнання. Він безпосередньо впливає на обсяг мотора і загальну вихідну потужність. Як правило, більший діаметр циліндра дозволяє спалювати більше повітряно-паливної суміші, що призводить до збільшення потужності. Однак це також може призвести до більшого споживання палива та збільшення викидів.
Хід поршня - це лінійна відстань, яку поршень проходить всередині циліндра за один повний цикл руху. Це вирішальний фактор при визначенні обсягу двигуна і ступеня стиснення. Хід поршня в поєднанні з діаметром циліндра допомагає визначити загальну потужність двигуна. Двигуни з більшим ходом, як правило, мають більший крутний момент при менших обертах, тоді як двигуни з меншим ходом, як правило, мають більшу вихідну потужність при більших обертах.
Разом діаметр циліндра і хід визначають робочий об'єм двигуна, який зазвичай виражається в кубічних сантиметрах (куб.см) або літрах (L). Робочий об'єм є показником габаритних розмірів двигуна і є важливим фактором при визначенні його вихідної потужності, крутного моменту і ККД.
Датчик рівня моторного масла є найважливішим компонентом техніки, призначеним для безперервного контролю і точного вимірювання рівня масла в двигуні. Цей складний пристрій допомагає запобігти пошкодженню двигуна, забезпечує оптимальну продуктивність і сприяє загальному терміну служби обладнання. Завдяки компактній і міцній конструкції датчик надійно працює в суворих умовах і витримує коливання температури, вібрацію і тиск. Використовуючи передові технології, він надає операторам дані в режимі реального часу, викликаючи сповіщення в разі низького рівня масла або потенційних витоків, тим самим полегшуючи попереджувальне технічне обслуговування і зводячи до мінімуму час простою. Простий в установці і сумісний з широким спектром обладнання, датчик рівня моторного масла є незамінним інструментом для підтримки працездатності та ефективності вашого обладнання.
Кількість циліндрів у 4-тактному двигуні може бути різною, але зазвичай вона становить 2, 4, 6 або більше циліндрів. Кількість циліндрів у двигуні пов'язана з його конструкцією та призначенням.
Кількість циліндрів у двигуні впливає на його характеристики, такі як потужність, момент обертання, плавність ходу і паливна економічність. Зазвичай, чим більше циліндрів, тим вище потужність і плавність ходу.
Максимальний крутний момент - максимальне значення крутного моменту, яке двигун може зробити на колінчастому валу при певних оборотах в хвилину або при певному навантаженні.
Крутний момент - сила, що забезпечує обертання колінчастого валу двигуна а, отже, і передачу механічної енергії від двигуна до приводу. Цей параметр вимірюється у ньютон-метрах (Н·м).
Максимальний крутний момент, є важливим параметром, що визначає продуктивність двигуна. Він зазвичай досягається при певних оборотах за хвилину (наприклад, 3000 об/хв) і залежить від різних факторів, таких як розмір двигуна, його конструкція, система впорскування палива та ін.
Об'єм оливи в картері - обсяг оливи, що знаходиться в нижній частині двигуна, що називається картером. Картер - внутрішня порожнина двигуна, де розташовуються колінчастий вал, шатуни та інші елементи, що рухаються.
Олива в картері виконує кілька важливих функцій:
- Змащування: змащує деталі двигуна, що рухаються, зменшуючи тертя та зношування.
- Охолодження: сприяє відведенню надлишкового тепла від робочих поверхонь двигуна.
- Ущільнення: утворює ущільнення між поршнем та циліндром, що запобігає проникненню гарячих газів у картер.
- Очищення: видаляє продукти згоряння та інші забруднення з двигуна.
Для правильної експлуатації та довговічності двигуна важливо стежити за рівнем оливи в картері та регулярно проводити заміну згідно з рекомендаціями виробника. Це допоможе забезпечити належну роботу двигуна та запобігти можливим поломкам або пошкодженням.
Типи повітряних фільтрів:
Папір тонкої / грубої очистки:
У повітряному фільтрі цього типу двигуна використовується комбінація поролону і паперу. Паперовий елемент здатний уловлювати більш дрібні частинки, в той час як поролон призначений для більш крупного сміття. Ці фільтри доступні за ціною, прості в заміні і забезпечують помірну ефективність фільтрації.
У масляній ванні:
Повітряний фільтр з масляною ванною використовує масло для уловлювання пилу і сміття при проходженні повітря через фільтр. Цей тип фільтрів має високу ефективність уловлювання забруднюючих речовин і добре підходить для середовищ з високим рівнем пилу або бруду. Фільтр масляної ванни вимагає регулярного технічного обслуговування, оскільки масло потрібно періодично замінювати, щоб підтримувати його ефективність.
Циклонний, в масляній ванні:
Циклонні повітряні фільтри в масляній ванні використовують відцентрові сили для відділення частинок з повітря. Оскільки повітря швидко обертається всередині фільтра, важчі частинки відштовхуються до зовнішніх стінок і затримуються в масляній ванні. Цей тип фільтрів дуже ефективний при захопленні забруднюючих речовин, особливо в середовищах з високим рівнем пилу або бруду. Циклонна конструкція в поєднанні з масляною ванною забезпечує чудову продуктивність фільтрації і збільшений термін служби фільтра.
Система запуску – механізм, який забезпечує початкове обертання колінчастого валу, щоб запустити роботу двигуна. Запуск двигуна особливо важливий, коли двигун зупинено і він не здійснює самостійне обертання.
Система запуску може відрізнятися залежно від типу двигуна (бензиновий, дизельний і т.д.) та його конструкції. Найбільш поширеними системами запуску в 4-тактних двигунах є:
- Ручний запуск: здійснюється за допомогою ручки, яку користувач різко тягне, викликаючи обертання колінчастого валу та запуск двигуна.
- Електричний запуск: здійснюється за допомогою стартера, який працює від акумулятора. Коли оператор повертає ключ запалення в положення "старт", стартер рухає механізм, який обертає колінчастий вал, запускаючи двигун.
- Комбінований запуск: комбінація ручного та електричного запуску, що надає додаткові варіанти для запуску у різних ситуаціях.
Система охолодження відповідає за керування температурою двигуна та запобігання його перегріву. Система охолодження ефективно видаляє надлишкове тепло, що виникає при згорянні паливо-повітряної суміші в циліндрі, та підтримує двигун в оптимальному температурному діапазоні для належної роботи.
Два основні типи систем охолодження:
- Водяна система охолодження: тепло від циліндрів та інших гарячих компонентів двигуна передається воді, що циркулює по системі. Вода нагрівається та проходить через радіатор, де охолоджується повітрям, потім циркулює назад у двигун. Водяна система охолодження забезпечує більш стабільну температуру роботи двигуна, що важливо для його ефективності та довговічності.
- Повітряна система охолодження: використовує потік повітря, щоб відводити тепло від двигуна. Повітряні ребра або радіатори можуть бути розміщені на поверхні двигуна, щоб збільшити область контакту з повітрям та підвищити ефективність охолодження.
У двигунах використовуються різні типи валів, деякими з найпоширеніших типів валів є:
- Вал під різьбу - вал, який має на своїй поверхні нарізані різьбові канавки або різьбові шліци. Різьба являє собою спіральні виступи та впадини, які дозволяють гвинтам, гайкам або іншим елементам відповідної форми переміщатися вздовж валу або здійснювати його обертання.
- Вал із шпонкою - тип валу, який використовується для передачі механічної енергії або встановлення різних компонентів на валу. Шпонка - кріпильний елемент, який забезпечує жорстке з'єднання між валом та іншим елементом (наприклад, шестернею, колесом, ротором тощо).
- Шлицевий вал - тип валу з пазами або виступами, які мають форму поздовжніх виїмок. Ці пази та виступи називаються шліцами, і вони розташовані вздовж осі валу. Шлици можуть бути прямими, косими, спіральними або можуть мати іншу геометрію. Вали зі шліцами використовуються для передачі механічної енергії та забезпечення точного позиціонування елементів на валу.
- Вал маховика зі шківом – специфічний тип валу, який використовується в ДВС. Він поєднує дві важливі функції у двигуні:
а. Маховик – важке колесо, прикріплене до одного з кінців колінчастого валу. Його завдання - служити як інерційна маса, яка зберігає кінетичну енергію обертання колінчастого валу між тактами двигуна. Це допомагає згладжувати нерівномірність обертання двигуна та забезпечує більш рівномірну роботу.
b. Шків – колесо з рифленою або гладкою поверхнею, яке встановлюється на другому кінці валу маховика. Коли двигун працює, маховик обертається разом із колінчастим валом і зберігає кінетичну енергію. Привідний шків передає цю енергію на інші компоненти, що дозволяє їм працювати відповідно до вимог моменту та швидкості. Вал маховика зі шківом – важливий компонент двигуна, який відіграє роль у забезпеченні плавності роботи двигуна та передачі потужності на допоміжні пристрої.
5. Конус – тип валу, який має конічну форму. На відміну від прямого валу, діаметр валу конуса змінюється по довжині осі, утворюючи конічну поверхню.
Діаметр валу - відстань між двома точками на валу, що проходять через його центр і лежать на протилежних сторонах валу. Зазвичай для валів використовується параметр діаметру, так як він визначає його розмір і дає уявлення про його міцність та здатність переносити навантаження.
У двигунах можна виділити два основні типи розташування валу: вертикальне та горизонтальне. Ці терміни відносяться до орієнтації осі валу щодо горизонтальної площини землі.
- Вертикальне розташування валу: вісь валу спрямована вертикально вгору чи вниз, паралельно гравітації. У двигунах з вертикальним розташуванням валу, вісь обертання валу знаходиться у вертикальній площині.
- Горизонтальне розташування валу: вісь валу спрямована горизонтально, паралельно землі. У двигунах з горизонтальним розташуванням валу вісь обертання валу знаходиться в горизонтальній площині.
Напрямок обертання валу визначається з точки зору спостерігача, який дивиться на вал або кінець валу із позначеними шліцами, різьбами або іншими характеристиками валу.
Коли мова йде про напрям обертання валу "з боку валу", це означає, що розглядається обертання валу від його осі у напрямку до його кінця або інших його частин.
Система змащення призначена для забезпечення змащення деталей, що рухаються, таких як підшипники, поршні, колінчасті вали та інші механізми, які вимагають постійного змащування для зниження тертя, зносу і підвищення ефективності роботи механізму.
Головним завданням системи змащування є надання оливи чи мастильної рідини у потрібні точки, де є контактні поверхні металевих деталей. Це зменшує тертя між деталями та дозволяє їм вільно рухатися один відносно одного. Це також охолоджує та очищає деталі від накопиченої теплоти та сміття, що запобігає пошкодженню та підвищує термін служби генератора або двигуна.
Система змащування може бути різного типу: масляна, суха, рідинна і т. д. У більшості випадків двигуни і генератори використовують масляну систему змащування, так як вона має хороші властивості змащування та охолодження, що робить її ідеальним вибором для таких пристроїв.
Розташування клапанів у двигуні або генераторі залежить від типу двигуна, його конструкції та принципу роботи. У більшості випадків генератори використовують двигуни внутрішнього згоряння, такі як двигуни з поршневою групою (дизельні, бензинові) або газові двигуни.
Загальні типи розташування клапанів у двигунах:
- Двигуни з верхнім розташуванням клапанів (OHV - Overhead Valve): клапани розташовані в головці блоку циліндрів зверху. Клапани можуть бути як над поршнями, так і над головками поршнів.
- Двигуни з верхнім розташуванням клапанів з двома верхніми розподільними валами (DOHC - Double Overhead Camshaft): у цьому типі двигунів встановлені два розподільні вали в головці блоку циліндрів, кожен приводить свої клапани.
- Двигуни з нижнім розташуванням клапанів (L-head або flathead): клапани розташовані нижче за циліндри, і розподільні вали часто встановлені в блоці циліндрів.
- Двигуни з бічним розташуванням клапанів (SV - Side Valve): цей тип двигунів також має клапани розташовані на боці блоку циліндрів, як і в L-head, але тут у двигуна може бути тільки один розподільний вал.
Розташування циліндрів у двигуні або генераторі залежить від типу двигуна та його конструкції. Певні типи двигунів мають специфічне розташування циліндрів, деякі можуть мати різні варіанти залежно від конкретної моделі.
Найбільш поширені типи розташування циліндрів:
- Рядне (Inline): циліндри розташовані в одній лінії, прямо один за одним. Наприклад, двигуни з 4, 6 або 8 циліндрами можуть бути рядними, де циліндри розташовані в одному ряду.
- V-подібне (V-engine): циліндри розділені на два блоки, утворюючи кут під певним значенням (наприклад, 60, 90, 120 градусів). Це дозволяє зменшити довжину двигуна і зробити його компактнішим.
- Рознесене V-подібне (W-engine): це розширена версія двигуна V-подібної конфігурації, де циліндри розділені на три блоки, утворюючи форму літери "W".
- Розташування циліндрів "H" (Boxer engine): цей тип двигуна має циліндри, які розташовані паралельно один одному в двох блоках, зміщених на невеликий кут, що створює форму літери "H".
- Розташування циліндрів "X": рідкісний тип двигуна, де циліндри розташовані у чотирьох блоках, утворюючи форму літери "X".
Конкретне розташування циліндрів може впливати на характеристики двигуна, такі як потужність, момент обертання, компактність.